電話:021-62522001
作者:NIPPON CHEMI-CON 發布時間:2020-08-04 15:50:26 訪問量:6926 來源:NCC電容
黑金剛電容貼片型導電性高分子混合型鋁電解電容器 HXA系列
●通過采用混合型電解質,提升了可靠性,實現了高耐壓化。
●保證125℃ 4,000小時。(紋波疊加)
●最適合用于高溫?高可靠性用途(例如汽車電子零部件、通信基站電源等)。
●無鹵對應品。
●符合AEC-Q200。詳情請另行咨詢。
◆規格表

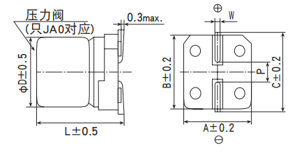
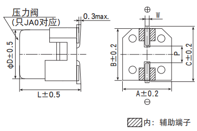
◆尺寸圖[mm]
●端子代碼 :A
●尺寸代碼:HA0~JA0

●端子代碼 :G (耐振構造)
●尺寸代碼:HA0~JA0(帶輔助端子)


◆產品型號體系

產品型號代碼的詳細介紹請參考「產品型號的表示方法 (導電性高分子混合型)」。
◆標示
標示例 80V22μF

●額定電壓的產品標示

◆標準品一覽表

□內為端子代碼。
◆額定紋波電流頻率修正系數
紋波頻率與標準品一覽表的規定值相異時、請使用小于乘以下表系數所得之值的值。
●頻率修正系數
![]()
上海櫻拓貿易有限公司是一家主要從事電子元器件代理銷售和技術支持的專業公司,其中是日本NIPPON CHEMI-CON(NCC電容|黑金剛電容)中國區總代理。
相關資訊推薦:
聲明:本文由櫻拓貿易收集整理關于 黑金剛電容相關的《黑金剛電容貼片型導電性高分子混合型鋁電解電容器 HXA系列》,如轉載請保留鏈接:http://m.jyxdz.com/news_in/583。